Description



Product Overview
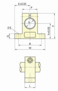
The SK Series Linear Shaft Support is a vertical-mount, open-type shaft holder designed to fix and support linear optical shafts in a wide range of automation and machinery applications. Its split-clamp structure ensures stable holding force without damaging the shaft, while the vertical mounting design allows quick alignment and easy installation.
SK supports are commonly used with LM, LME, LMK, LMH linear bearings and SBR/TBR linear rail systems to build smooth and precise linear motion assemblies.
Key Features
Strong Clamping Force
Precise split-body design firmly locks the shaft in place.
Rigid and Lightweight Aluminum Body
Ensures high stability while minimizing weight for dynamic machines.
Simple Vertical Installation
Two mounting holes allow fast and accurate alignment on machine frames.
Corrosion-Resistant Anodized Surface
Suitable for industrial environments with long operational lifespans.
Wide Compatibility
Fits all standard linear shafts: solid, hollow, hardened, and chrome-plated.
Typical Applications
CNC routers, CNC lathes, engraving machines
Automation and assembly line systems
3D printers and DIY mechanical projects
Packaging, cutting, and labeling machines
Industrial robotic modules
Linear stages, sliding tables, and measurement equipment
Why Choose the SK Series?
Reliable shaft positioning for stable linear motion performance
Universal compatibility with all linear bearings and supported rail systems
Durable and long-lasting, thanks to aluminum alloy construction
Easy to install, remove, and adjust, reducing maintenance time
Cost-efficient solution for both hobby and industrial-grade equipment
Suitable for high-precision and high-speed linear applications




Reviews
There are no reviews yet.