Description





















Product Overview
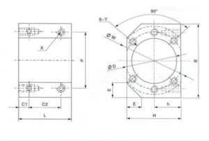
The fixed side components are essential accessories for linear bearing systems. They provide stable mounting, precise alignment, and secure attachment of linear bearings to machine frames. These components are compatible with supported and unsupported linear shaft systems, including SBR, TBR, and MG/EG/HGH guideways.
They ensure:
Proper preload setting
Reduced end play
Accurate motion alignment
Long-term stability in industrial or automation applications
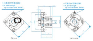
1. FK / BK – Standard Fixed Side End Caps
FK (Front Fixed Side) and BK (Back Fixed Side) are commonly used end caps for linear bearings.
Provide precise bearing positioning, prevent axial movement, and facilitate smooth linear travel.
Applications: CNC machines, automation equipment, woodworking machinery, and packaging systems.
2. FF / BF – Flanged Fixed Side End Caps
FF (Front Flanged) and BF (Back Flanged) integrate a mounting flange for more secure installation.
Flanged design ensures easier alignment, reduces vibration, and improves stability under medium loads.
Applications: 3D printers, small automation machines, light-duty CNC routers.
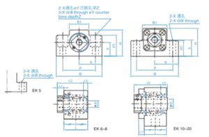
3. EK / EF – Heavy-Duty Fixed Side End Caps
EK (Front Heavy-Duty) and EF (Back Heavy-Duty) are designed for high-load linear bearing systems.
Reinforced structure provides higher rigidity and better load distribution for industrial applications.
Applications: CNC milling machines, industrial robots, packaging, and cutting machinery.
4. But-A Connector (Nut Holder / End Cap Retainer)
A connector for fixing the linear bearing nut or end cap securely to the block or machine frame.
Ensures alignment, prevents rotation or axial shift, and simplifies assembly.
Can be used with FK/BK, FF/BF, EK/EF end caps for a complete fixed side installation.
Applications: All linear motion systems where precise preload and secure mounting are required.
Key Features
High-strength materials ensure durability and long-term stability
Precise alignment and secure mounting of linear bearings
Multiple designs (Standard, Flanged, Heavy-Duty) for various load and motion requirements
Easy installation and maintenance
Compatible with SBR, TBR, MG, EG, HGH linear motion systems
Optional corrosion-resistant coating for harsh environments
Typical Applications
CNC machines, milling and routing systems
Industrial automation equipment
Robotics and pick-and-place machines
3D printers and DIY machinery
Packaging, labeling, and cutting systems
Laboratory and precision testing instruments
Why Choose Our Fixed Side Components & But-A Connector?
Precision-machined for accurate bearing alignment
Reliable performance under continuous operation
Supports high loads, vibration resistance, and smooth motion
Compatible with a wide range of linear guide systems
OEM and custom designs available
Easy assembly and cost-effective solution for all linear motion applications






Reviews
There are no reviews yet.